
Against the background of fossil fuel depletion and environmental issues, there is growing demand for a transition to renewable energy and promotion of energy conservation. In Japan, following the 1997 Kyoto Conference on Global Warming Prevention (COP3), the Energy Conservation Act was significantly amended the following year, and the Top Runner Program was established.
Examples of similar measures abroad include the Energy Star program in North America and the EcoDesign (ErP) Directive in Europe. These aim to promote the development and widespread adoption of energy-efficient products, and have been operating for more than 20 years.
Energy-efficient design is, as a matter of course, an important factor in the actual development of home appliances. However, products are emerging that incorporate the latest AI technologies to enhance usability, as are products designed with time-saving in mind, particularly for dual-income households. Particularly in the case of products traditionally referred to as “white goods,” such as air conditioners, refrigerators, and washing machines, many are used for more than 10 years after purchase, making durability a significant point for consideration.
Many home appliances are equipped with internal motors and compressors. Especially in the case of refrigerators, once switched on, they typically remain on until they are replaced, with the power rarely being turned off.
To ensure durability for 10 years or more, evaluating factors directly related to durability, such as the inrush current and vibrations during compressor startup (when the inverter begins operation), becomes crucial. This involves not only measuring the maximum values of inrush current but also monitoring the variations over each cycle, allowing for more detailed feedback into the design process.
During the design phase, as well as in the event of failures or problems, some power parameters such as voltage, current, power, the power factor, and frequency values can change abruptly or fluctuate. Such variations may indicate abnormalities in the voltage or current waveform data, which serves as the basis for the power parameters. To identify the causes of these numeric changes, utilizing a waveform measuring instrument to capture and analyze the waveform data may be particularly effective.
To do so, the PX8000 Precision Power Scope enables you to share sampled waveform data between the PX8000 main unit and the dedicated software, PowerViewerPlus 760881. By performing the same calculations on both the main unit and the software, you can check the voltage RMS values and power values, synchronized with the waveform data, on a high-performance PC with fast data processing capabilities.
On the other hand, the WT5000 Precision Power Analyzer offers a data streaming (DS) option that offers continuous output of waveform data. However, it does not provide a method for using this waveform data to calculate voltage, current, or power values. This is because the use of measurement results from the WT5000 itself as highprecision numerical data was recommended. On this occasion, a verification was conducted to assess the accuracy of the calculation results for voltage (RMS) and power (average) values with respect to PWM inverter drive waveforms used in home appliances, using the cycle statistics computation function of the IS8000 Integrated Software Platform, although there is a limitation of up to eight waveforms.
The DS function (option) enables continuous output of the waveform signals synchronized with numerical values from a WT5000 to a PC. Since the WT5000’s sampling rate is 10 MS/s, waveform data that is simply decimated from this sampling rate is output to the PC.
Any voltage inputs, current inputs, motor output (speed and torque) signals can be continuously output (streamed) to a PC.
The sampling rate is selectable, ranging from 10 kS/s to 2 MS/s, and there are restrictions depending on the number of waveforms. Communication commands for programming are available, and they are easy to import using the WTViewerE viewer software or the IS8000 Integrated Software Platform, allowing for data storage and CSV conversion.
The IS8000’s cycle statistics computation function calculates waveform parameters using observed data acquired by waveform measuring instruments, such as high-speed data loggers (ScopeCorders), DLM Series oscilloscopes, and the DS function of the WT5000. This function computes waveform parameters for each cycle based on the periodic signals in the waveform data.
Waveform parameters include items related to the voltage vertical axis (peak to peak, amplitude, maximum, minimum, etc.), the time horizontal axis (rise time, fall time, frequency, period, etc.), and area-related items (Integ1TY, Integ2TY, Integ1XY, Integ2XY).
The method for detecting the cycle of specified signal is determined by each line setting—distal, mesial, and proximal lines—including a “%” setting for the input signal from 0 to 100, or a “Unit” setting where an arbitrary number representing a physical quantity can be input (see Figure 1).

Figure1. WT5000 the pressure loss that occurs supply the pressure loss that occurs between the supply
Among these items, defining the cycle detection method for root mean square values (RMS), which is a vertical axis computation item, and the average value of instantaneous power (AVERAGE), based on the multiplication of instantaneous voltage and instantaneous current using the waveform computation MATH function, enables you to obtain more accurate results.
The following describes the actual settings and measurement.
The sampling rate of the WT5000 is up to 10 MS/s, but it is limited to 2 MS/s for the DS function, which is 1/5 of the sampling rate in the main unit. Therefore, it is important to set the rate as high as possible when calculating the RMS or power values to ensure accurate computation results.
Refer to Figure 2 for the correlation between the number of waveforms and the maximum sampling rate when outputting DS function waveform data.

Figure 2. Correlation between the number of waveforms and the maximum sampling rates in the DS function of the WT5000
The actual operations and settings are as follows:In the IS8000’s DAQ (WT) setting, turn on the DS function to capture waveform data. At this step, set the sampling rate as high as possible (see Figure 3).

Figure 3. Setting the DS function in the IS8000
For the acquired waveform data, use the MATH function to set [voltage x current] (see Figure 4).

Figure 4. Setting arithmetic operations in the IS8000
(set an arithmetic operation for power in Math 1)
In the IS8000 waveform parameters menu, enable cycle statistics. Select Rms measurement for voltage (WU1) and current (WI1) traces, then select Avg measurement for Math1, as instantaneous power must be averaged to obtain the power value (see Figure 5).

Figure 5. Cycle statistics settings in the IS8000
For more accurate cycle detection, set the distal, mesial, and proximal lines in the channel settings for the least noisy and most sinusoidal waveform (see Figure 6).

Figure 6. Example of waveform data observation during voltage and power value abnormalities
To conduct verification including distal/mesial/proximal settings for cycle detection, a reference waveform was input from the power calibration device LS3300, and calculations were performed. The results were then compared with the measurements from the WT5000 main unit. Since this is a reference input, the WT5000’s measurement results matched the set values.

Figure 7. Connection between the LS3300 and the WT5000

Figure 8. WT5000 measured values from LS3300 output

Figure 9. Computation of cycle statistics by the IS8000, using the current waveform for cycle detection
These results show that the average values of the IS8000’s cycle statistics calculated using the waveform data obtained through the WT5000’s data-streaming function will be almost identical with the measured values of the WT5000.
Next, we verified the PWM inverter outputs using the measured values from the WT5000.
For the voltage-type PWM inverters, the voltage waveform resembles a pulse-like pattern, making it difficult to detect the cycle of the fundamental wave frequencies. Similarly, the current waveforms have triangular waves of the carrier frequency superimposed on them, and in cases of lowamplitude input, noise is more likely to be present, complicating cycle detection.
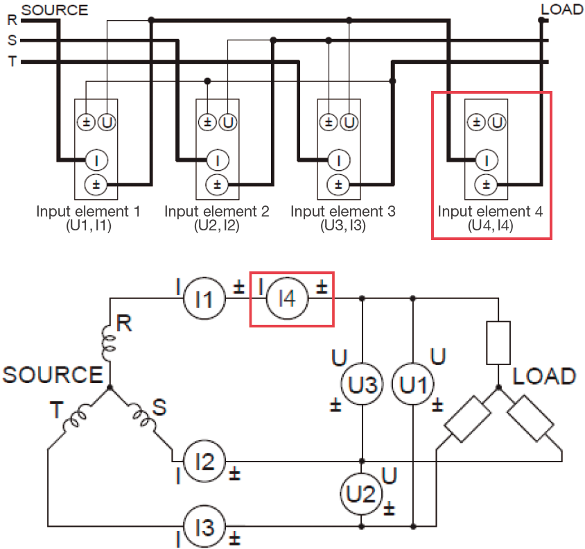
Therefore, we input a current closer to a sine wave to the unused input element (CH4), with the line filter setting to ON to create an ideal sine wave with minimal noise. This waveform was then used for cycle detection settings (see Figure 9). We also performed a comparison with the “Own” setting, which is the default setting for computing cycle statistics, and the difference was evident.

Figure 10. Connection method used for verification

Figure 11. WT5000 waveforms and measurements
(inverter voltage waveform (U1), current waveform (I1), and current waveform with the line filter for cycle detection turned ON (I4)
From Figure 11, the measured values obtained from the WT5000 serve as reference values for comparison with those from the IS8000’s cycle statistic computation. Additionally, the waveform of element 4 at the bottom of the screen, used for cycle detection, appears as a sine wave. This makes its zero-crossing points easier to distinguish from element 1’s voltage waveform, which resembles a PWM pulse, or the current waveform, which is affected by significant noise.

Figure 12. Measurement results when CH4 waveform is used for cycle detection

Figure 13. Results with default (Own) cycle detection settings (power values differ greatly)
We examined a case of calculating power from voltage and current waveform data obtained by the WT5000 datastreaming function using the IS8000’s cycle statistics computation function.
Despite the limitation of eight waveforms at maximum for computing the cycle statistics, we found that applying a line filter to remove noise from the signal used for cycle detection and adjusting the cycle detection setting to a zero-cross level leads to results almost identical to the values measured by the WT5000 itself.
Waveform data is valuable information that enables analysis when abnormalities occur, so correlating waveforms with numeric data is both useful and important.