Synchronizing Power and Waveforms for Accurate Appliance Diagnostics

Baixar (4.6 MB)

Synchronizing Power and Waveforms for Accurate Appliance Diagnostics

Introduction

Against a background of fossil fuel depletion and environmental issues, there is growing demand for a transition to renewable energy and promotion of energy conservation.
In Japan, the Top Runner Program has been established while similar measures have been established abroad, such as the Energy Star program in North America and the EcoDesign (ErP) Directive in Europe. These measures aim to promote the development and widespread adoption of energy-efficient products.
Particularly in the case of products traditionally referred to as “white goods,” such as air conditioners, refrigerators, and washing machines, many are used for more than 10 years after purchase, making durability a significant point for consideration. However, even products with enhanced durability will eventually reach the end of their lifespan.
Furthermore, even before reaching the end of their lifespan, products may experience failures or problems arising from various factors.
By identifying the causes and implementing solutions in the developed products, product reliability can be improved.

 

Challenges

When failures or problems occur, some power parameters such as voltage, current, power, the power factor, and frequency values can change abruptly or fluctuate. Such variations may indicate abnormalities in the voltage or current waveform data, which serves as the basis for the power parameters. To identify the causes of these numeric changes, utilizing a waveform measuring instrument to capture and analyze the waveform data may be highly effective.
Possible causes of these phenomena, aside from changes in the device under test, include power supply fluctuations or issues within the measurement environment or the measuring instruments themselves. Although these occurrences are rare, identifying and isolating any abnormal events is an especially effective way of dealing with them.
You can do so by using a power meter in conjunction with a waveform measuring instrument, or by correlating numerical values with waveform data using the power meter’s waveform capture function.
Power meters perform a wide variety of computations, making it challenging to identify abnormal values if they appear briefly among the many displayed on-screen. After data capture, creating a trended graph can simplify the process of spotting outliers. However, consistently reproducing an anomaly can also be challenging because the same phenomenon might not recur due to differing external conditions such as air temperature, humidity, and device temperature. This can result in persistent, unresolved problems.
Fluctuations in the numeric data from a power meter alone are often insufficient for pinpointing the cause of an abnormality, necessitating the use of a waveform measuring instrument.
Yet, setting trigger conditions to isolate relevant waveforms can be difficult. Additionally, synchronizing measurements between the power meter and the waveform measuring instrument is challenging due to each instrument’s internal timekeeping, which can lead to errors (skew) over time.
Therefore, it is difficult to align changes in waveform data with changes in numerical data, such as short periods of partial data loss or decreases in signal levels, based on time.
In addition, it is not common to synchronize numerical data from a power meter with waveform data from a waveform measuring instrument for long-duration measurements. This is because waveform measuring instruments, such as oscilloscopes, typically capture waveforms with high-speed sampling in the order of MS/s, storing the data temporarily in high-speed memory (acquisition memory) for fast processing.
On the other hand, power meters generally collect numerical data at a frequency in the range of milliseconds or seconds, and the data is often transferred to a PC for storage.
Thus, synchronizing high-speed sampled waveform data with numerical data from a power meter for long-term measurements is challenging.

 

Solutions

Synchronized measurements between the DL950 and WT5000 using the IS8000

• WT/DL time synchronization display with IEEE1588
• Data management with link files/divided files
• Use of exceptionally reliable power data with guaranteed accuracy
• Reporting using waveforms and power meter data

Cycle-by-cycle waveform computations using the PX8000

• Maximum sampling rate 100 MS/s
• Large memory capacity up to 100 M-points/channel
• Transient power measurements by per-cycle trend calculations
• Calculations for a specific interval set by a cursor
• Perform same calculation with the PX8000 using PowerViewerPlus

 

Explanation of Each Solution

Synchronized measurements between the DL950 and WT5000 using the IS8000

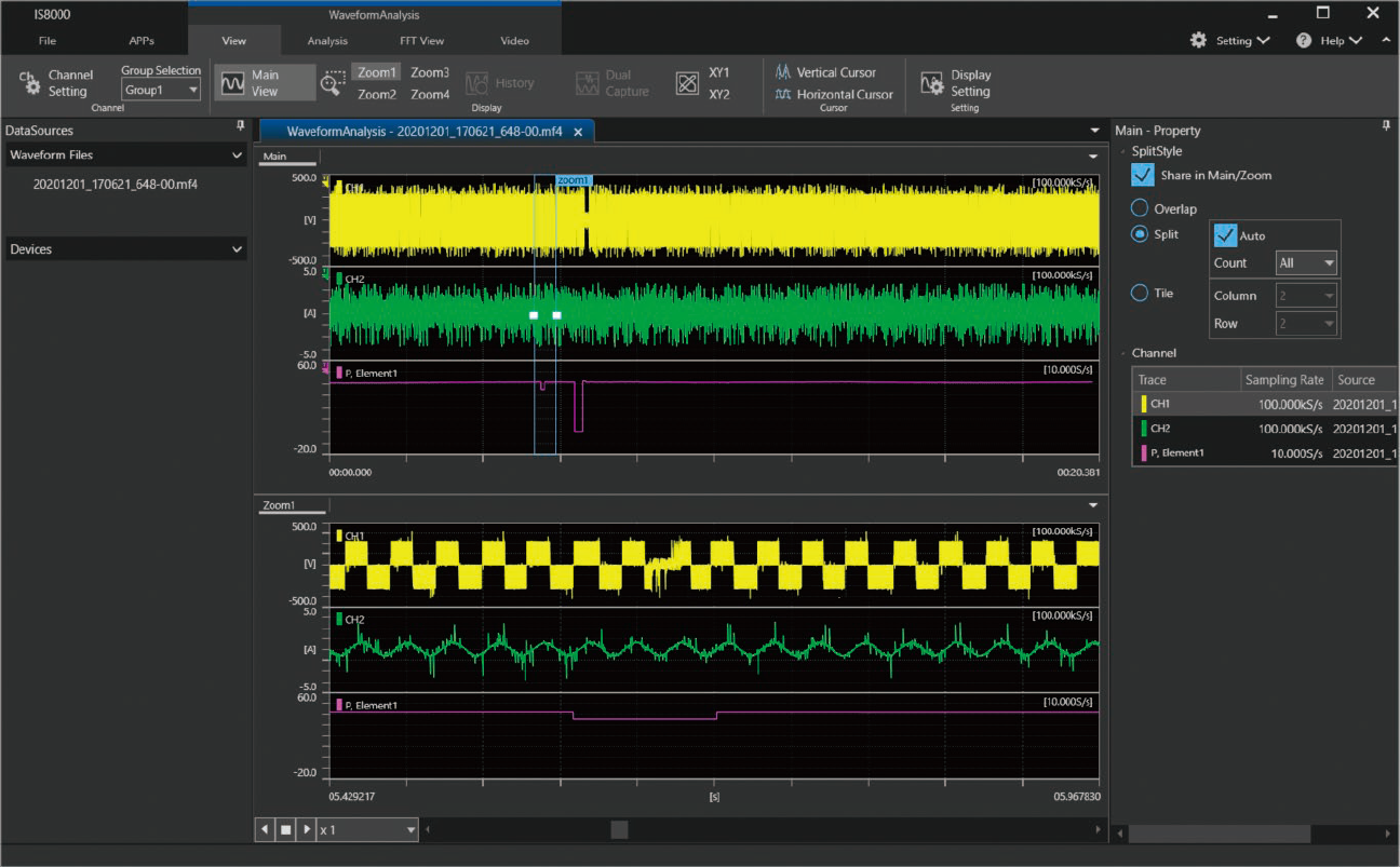
There are cases where power values are verified by displaying them using the waveform calculation function of a waveform measuring instrument. However, this method cannot provide highly accurate power values traceable to the measured waveforms. The IS8000 Integrated Software Platform, on the other hand, can employ IEEE1588 time synchronization of data between a DL950 ScopeCorder and WT5000 Power Analyzer, with less than 10 μs of timing error.
It can continuously display eight channels of waveform data from the DL950 at up to 20 MS/s on the same time axis with power data from the WT5000. Since power data can be displayed in a time-series trend along with waveform data, you can observe subtle power fluctuations.
For example, it is possible to detect abnormal waveform data from actual power fluctuations and identify potential issues.

Figure 1. Observation example 1: Waveform data during a voltage/ power value abnormality

Figure 1. Observation example 1: Waveform data during a voltage/ power value abnormality

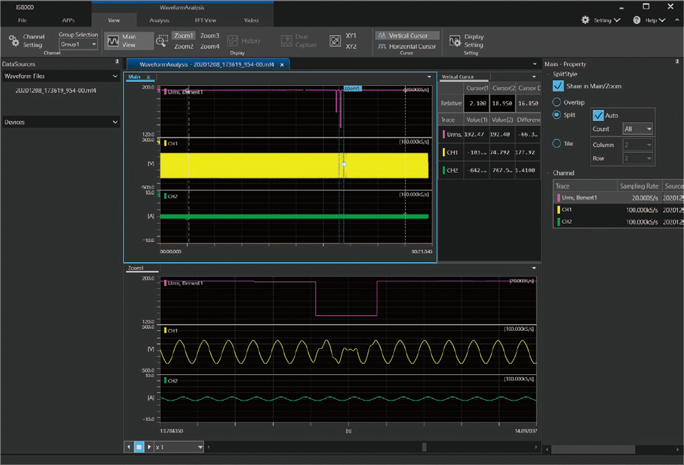
Figure 2. Observation example 2: Waveform data during a voltage/ power value abnormality

Figure 2. Observation example 2: Waveform data during a voltage/ power value abnormality

Figure 3. Observation example 3: Waveform data during a voltage/ power value abnormality

Figure 3. Observation example 3: Waveform data during a voltage/ power value abnormality

 

Cycle-by-Cycle Waveform Computations using the PX8000

In addition to displaying voltage and current waveforms, the PX8000 simultaneously calculates and displays instantaneous power as trended data. This instantaneous power value can be read using a cursor, which also allows for distance measurements between two cursors. Horizontal, vertical, and marker cursors support simultaneous differential measurements of time, voltage, current, and power intervals.
Moreover, user-defined math waveforms are supported with a maximum of 4 M points. The cursor function allows for the observation of cycle-by-cycle power values and measurement of differences between cycles.
The 760881 PowerViewerPlus application software enables comprehensive waveform and numerical analyses of largevolume data when measurement data is transferred to a PC.

Figure 4. Example of instantaneous power waveforms with the PX8000

Figure 4. Example of instantaneous power waveforms with the PX8000

Figure 5. Example of the cursor interval calculation with the PX8000

Figure 5. Example of the cursor interval calculation with the PX8000

Figure 6. Example of the cycle-by-cycle trend calculation with the PX8000

Figure 6. Example of the cycle-by-cycle trend calculation with the PX8000

 

Utilizing Exceptionally Reliable Power Data with Guaranteed Accuracy

In recent years, many waveform measuring instruments have included the capability to compute power data. It is indeed convenient to perform power computations using a waveform measuring instrument, because that ensures data simultaneity even in transient phenomena. However, there is an important consideration: namely, the measurement accuracy of the power values, traceable to national standards.
The primary purpose of waveform measuring instruments is to accurately observe the shape of measurement signals with voltage and current probes at high bandwidths and sampling rates. Consequently, the power computation results often differ from those measured by power meters, necessitating additional verification.
On the other hand, Yokogawa’s power meters have established and maintained high-accuracy, guaranteed measurements traceable to national standards. This ensures you receive reliable data for voltage, current, and active power.
The IS8000 Integrated Software Platform provides traceable* power measurements from the WT5000, while enabling data transfer of eight channels at up to 20 MS/s with the DL950, delivering highly reliable power meter data and waveform data on the same time axis.
* Power Traceability: Calibration technology supporting the performance of the WT5000 high-precision power meter
“Yokogawa’s power calibration technology supporting high-precision power analysis”

Figure 7. Traceability structure of the new power calibration system

Figure 7. Traceability structure of the new power calibration system

Indústrias Relacionadas

Produtos e Soluções Relacionadas

IS8000 Application Programming Interface

  • API for automating IS8000 functionality
  • SDK for Visual Studio / C# / Python

PX8000 - Transient Power Analyzer

  • Up to 4 wattmeters
  • 0.1% of rdg + 0.1% of rng
  • DC to 20MHz
  • Precision Power Scope
  • Waveform Capture & Analysis
  • Harmonics, Cycle-by-Cycle, and FFT Analysis

WT5000 - Highest Precision

  • Up to 7 wattmeters / Modular
  • 0.01% of rdg + 0.02% of rng
  • DC to 1MHz
  • 4 motor inputs
  • Harmonics to 500th order
  • IEC 61000 compliance testing

Precision Making

Topo